Промышленный лизинг Промышленный лизинг  Методички 

0 1 2 3 4 5 6 7 8 9 10 11 12 13 14 15 16 17 18 19 20 21 22 23 24 25 [ 26 ] 27 28 29 30 31 32 33 34 35 36 37 38 39 40 41 42 43 44 45 46 47 48 49 50 51 52 53 54 55 56 57 58

Рис. 106. Головки спарников:

а - на отбойном валу; б - на колесной паре: / - средний спарник; 2,3 - запрессованные втулки; 4 - палец отбойного вала; 5 - плавающая втулка; 6 - передний спарник; 7 - клапанная масленка; 8 - крышка; 9 - полый штифт; 10 -штуцер для смазки

12 3 *

5 6



В ГОЛОВКИ, надеваемые на пальцы колесных пар (рис. 106, б), также запрессовывают втулки 2 из стали Ст5, в которые вставляют плавающие втулки 6 из сплава ЦАМ 9-1,5. Смазку к этим втулкам подают сверху через головки спарника /, в которые ввертывают переходный штуцер 10 и специальный полый штифт 9, служащий стопором, предохраняющим запрессованную втулку от проворачивания. Наружные торцы пальцев, а также плавающие и запрессованные втулки головок спарников для защиты от пыли закрыты штампованными крышками 8.

Средний и задний спарники соединены шарнирным узлом (рис. 107). Для этого в хвостовик / среднего спарника запрессована втулка 7, закрепленная от проворачивания штифтом-заклепкой. В запрессованную втулку вставляют плавающую втулку 6. В вилке 2 заднего спарника отверстия выполнены кони-

Рис. 107. Шарнир хвостовика среднего спарника: 1 - хвостовик среднего спарника; 2 - вилка заднего спарника; 3 - валнк; 4 - разрезная коническая втулка; 5 - гайка; 6 - плавающая втулка; 7-стальная втулка


ческими. С внутренней стороны в это отверстие конической частью входит соединительный валик 5, а с наружной - специальная коническая втулка 4. При затягивании гайки 5 хвостовика валика последний надежно центрируется в вилке спарника двумя коническими поверхностями. Наличие суммарных зазоров в узле: палец - плавающая втулка - запрессованная втулка позволяет свободно перемещаться колесным парам в вертикальной плоскости независимо одной относительно другой и не создавать при этом растягивающих напряжений в спарниках, а также компенсировать допускаемые отклонения радиуса кривошипа и разницу в межцентровых расстояниях между отдельными буксовыми направляющими.



ГЛАВА V

ВСПОМОГАТЕЛЬНЫЕ СИСТЕМЫ ЭНЕРГЕТИЧЕСКОЙ УСТАНОВКИ


§ 26. ТОПЛИВНАЯ СИСТЕМА

Топливная система служит для размещения запасов топлива, фильтрации, подогрева и подвода его к энергетическим установкам (дизелям, газотурбинным установкам (ГТУ), котлам-подогревателям и т. д.). К топливной системе относятся: топливные баки, фильтры, топливоподогреватели, топливоподкачивающие насосы, регулирующие клапаны, топливопроводы и системы контроля.

Для питания тепловозных дизелей используют дизельное топливо марок ДЗ, ДЛ и ДС по ГОСТ 4749-73 и дизельное топливо по ГОСТ 305-73 с содержанием серы до 0,5%. Топливом для мотовозов и автодрезин с карбюраторными двигателями служит бензин. Топливом для ГТУ газотурбовозов служит мазут, а также дистилляты замедленного коксования.

Схемы топливных систем. На тепловозах применяют топливные системы двух типов - с расходным баком и без него. Топливные системы большинства отечественных локомотивов выполнены без расходного бака и имеют одинаковую схему расположения основных агрегатов.

В топливной системе тепловоза 2ТЭ10В (рис. 108) топливо из топливного бака 1 по трубе эжекционного устройства 14 через фильтр грубой очистки 13 подается топливоподкачивающим насосом через фильтр тонкой очистки 7 к дизелю в коллектор топливных насосов 4 высокого давления. Часть топлива, просачивающаяся через зазоры уплотнений в насосах и форсунках, сливается в топливный бак. Избыток топлива, минуя топливные насосы высокого давления, из коллектора топливных насосов высокого давления проходят по сливным трубам через кожух топ-ливоподогревателя 2 в топливный бак. Нормальное заполнение топливных насосов высокого давления, а также препятствие сливу топлива в бак 1 обеспечивается подпорным клапаном 3, отрегулированным на давление 0,15 МПа.

Для удаления первых объемов закачиваемого топлива, насыщенного воздухом, служит кран, перепускающий топливовоздуш-ную эмульсию в топливный бак }.

Работа дизеля тепловоза 2ТЭ10В при выходе из строя топливо-подкачивающего насоса обеспечивается вследствие разрежения, создаваемого насосами высокого давления. При этом топливо про-160

Рис. 108. Схема топливной спстемы тепловоза 2ТЭ10В:

/ топливный бак; 2 - топлнвоподогре-ватель; 3 - подпорный клапан; 4 - топливный насос высокого давления: 5 - гаситель пульсаций; 6, 9 - манометр: 7 - фильтр тонкой очистки; 8. 10 - перепускные клапаны; - топливопод-качивающий насос; 12 - шариковый клапан; 13 - фильтр грубой очистки; 14 - эжекционное устройство



ходит из бака 1 в обход фильтра грубой очистки по трубам. На тепловозах ТЭМ1 топливо подается по аварийной заборной магистрали к насосу высокого давления, минуя ее фильтры. При аварийном режиме дизель может работать лишь с ограниченной мощностью и непродолжительно, поэтому для обеспечения нормальной работы топливной системы на тепловозе ТЭП60 установлены два топ-ливоподкачивающих насоса, работающих параллельно, а на тепловозах 2ТЭ10Л, ТУ2, ТГМ1, ВМЭ1, ЧМЭ2, ЧМЭЗ имеется дополнительный аварийный насос, причем на последних четырех локомотивах аварийный насос имеет ручной привод.

Тепловозы ТЭ1, ТГМ1, ТГМ25, ВМЭ1 оборудованы двумя топливными баками: верхним (расходным) и нижним (основным). Из нижнего бака топливо периодически подается топливоподкачивающим насосом в расходный бак. Из расходного бака топливо самотеком или при помощи насоса поступает к топливному насосу высокого давления. Такая система обладает повышенной надежностью при возможных выходах из строя топливоподкачивающего насоса, а в зимнее время - «теплым» топливом для пуска дизеля.

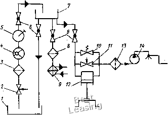
Принципиальная схема системы с расходным баком приведена на рис. 109. Из расходного бака 7 топливо, как правило, подается топливоподкачивающим насосом 12. При этом вентиль перекрыт. Для предохранения топливопровода от избыточного давления в системе установлен предохранительно-перепускной клапан 10. При выходе из строя топливоподкачивающего насоса 12 срабатывает вентиль , и топливо поступает к дизелю самотеком. В этом случае дизель не развивает номинальную мощность. Недостатком подобной системы является наличие дополнительной емкости и топливоподкачивающего насоса. Поэтому на мощных локомотивах с большим расходом топлива расходные баки не чтрименяют.

В отличие от тепловозов на газотурбовозах используют тяжелое топливо, обладающее высокой вязкостью и имеющее больше механических примесей, чем дизельное. Его приходится подогревать в любое время года, тщательно очищать, а также повы. шать давление в системе для бесперебойного снабжения ГТУ

6 Камаев А. А. и др. 161




Рис. 109. Схема топливной системы моторного вагона дизельного

поезда Д1;

/ - главный бак; 2, И - чентиль; 3 - фильтр грубой очистки; 4 - насос с электроприводом; 5 - ручной иасос; 6 - кран; 7 - расходный бак; 8 - фильтр; 9 - котел-подогреватель; 10 - предохранительный клапан; 12 - топливоподкачивающий насос; 13 - фильтр тонкой очистки; 14 - топливный иасос высокого давления

На газотурбовозах обычно применяют три фильтра - грубой, промежуточной и тонкой очистки и два топливных насоса. Первый насос прокачивает топливо через фильтры грубой и промежуточной очистки, обеспечивая давление на входе в главный топливный насос 0,15-0,2 МПа, а второй - главный, повышая давление до 6,5 МПа, подает топливо через топливоподогреватель и фильтр тонкой очистки к форсункам камер сгорания ГТУ. Пуск и остановка ГТУ осуществляются на дизельном топливе. Это необходимо для того, чтобы очень вязкое в холодном состоянии тяжелое топливо не вывело из строя топливную систему.

Топливные баки. Для хранения топлива служат специальные баки, расположенные на раме или под рамой локомотива. Емкость топливного бака определяют, учитывая необходимую продолжительность работы локомотива без экипировки, расход топлива на 1 кВт-ч и мощность силовой установки. Время работы локомотива на участке обращения с условно заданным профилем

где L - длина участка обращения, км, для грузовых магистральных локомотивов, Г = 800-1000 км; Уст - среднетехническая скорость локомотива на данном участке, км/ч.

Запас топлива при работе энергетической установки на номинальном режиме

Qt = kxTg,P„ 162


Рис. ПО. Топливный бак тепловоза ТЭМ2;

/ - корпус бака; 2 - заправочная горловина; 3 - вентиляционная труба; 4 - поперечные кронштейны; 5 - кронштейн; 6 - мерная рейка; 7 - отстойник

где ki = 1,10-ь1,20 - коэффициент запаса (резерв емкости); g- - удельный расход топлива, кг/(кВт-ч); - эффективная мощность силовой установки, кВт.

Необходимый объем, м, топливного бака

Уб = Qt/Pt,

где рт - плотность топлива, кг/м; для дизельного топлива ~ = 830-ь880, для мазута р. = 890-ь990.

Запас топлива на маневровых локомотивах определяют, исходя из периода времени (4-5 суток) между профилактическими осмотрами (на тепловозах ТЭМ1 и ТЭМ2 емкость бака позволяет работать без захода на экипировку в течение 7-10 суток). При этом необходимо, чтобы уменьшение сцепного веса в процессе эксплуатации не превышало 5%.

Приближенно емкость топливных баков можно определить !ю значению коэффициента V удельной емкости, кг/кВт. Для маневрового локомотива V = 4-4-5, для грузового = 2,-f-3, для пассажирского V = 1,8-4-2,3. По емкости бака с учетом вписывания локомотива в габарит подвижного состава вычисляют основные размеры бака.

Обычно топливо находится в одном баке, располагаемом под главной рамой между тележками. На локомотивах с гидропередачей и карданными приводами колесных пар место вдоль продольной оси тепловоза занято карданными валами, поэтому топливо размещают в двух, баках, сообщающихся между собой. На тепло-

6* 163



0 1 2 3 4 5 6 7 8 9 10 11 12 13 14 15 16 17 18 19 20 21 22 23 24 25 [ 26 ] 27 28 29 30 31 32 33 34 35 36 37 38 39 40 41 42 43 44 45 46 47 48 49 50 51 52 53 54 55 56 57 58