Промышленный лизинг Промышленный лизинг  Методички 

0 1 2 3 4 5 6 7 8 9 10 11 12 13 14 15 16 17 18 19 20 21 22 23 [ 24 ] 25 26 27 28 29 30 31 32 33 34 35 36 37 38 39 40 41 42 43 44 45

пЧ?0о5/мин


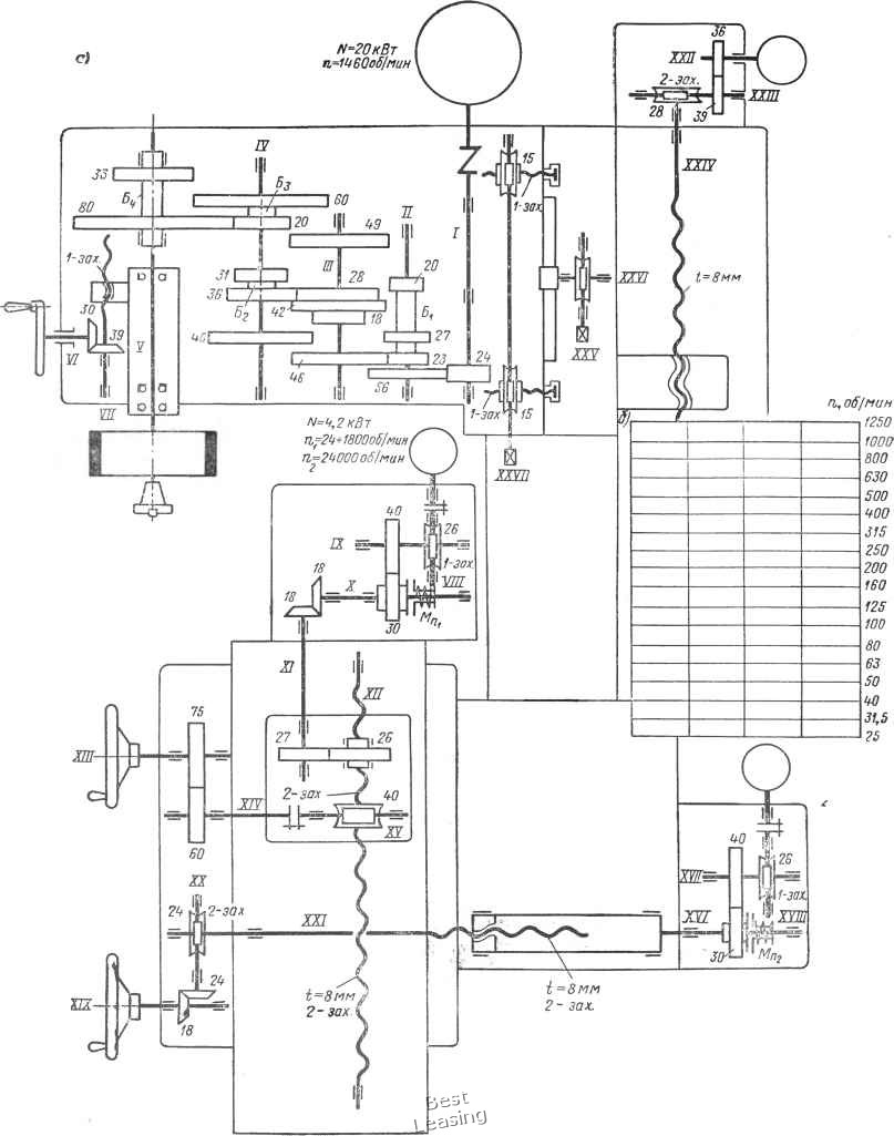
Рис. 65. Кинематическая схема широкоуниверсального фрезерного станка модели 6М83Ш (а) и сетки для построения графиков частот вращения валов

и подач (б, е)






гь-1Ц20о61мин


N=4,2 кВт 7124-180005Iмав 2400-061 май

Рис. 67. Кинематическая схема бесконсольного вертикально-фрезерного станка модели 656П {а) и сетка для построения графика частот вращения валов (б)



0 1 2 3 4 5 6 7 8 9 10 11 12 13 14 15 16 17 18 19 20 21 22 23 [ 24 ] 25 26 27 28 29 30 31 32 33 34 35 36 37 38 39 40 41 42 43 44 45