Промышленный лизинг Промышленный лизинг  Методички 

0 1 2 3 4 5 6 7 8 9 10 11 12 13 14 15 16 17 18 19 20 21 22 23 24 25 26 27 28 29 [ 30 ] 31 32 33 34 35 36 37 38 39 40 41 42 43 44 45


t=5MM r


m Mo,

Ш П ii>%iO...... -7




Pbc. ЬЗ. Кинематическая схема поперечно-строгального станка модели 737




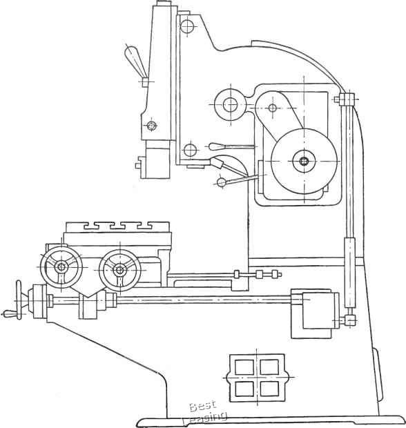
Рис, 84. Общий вид долбежного станка ыодедв 743




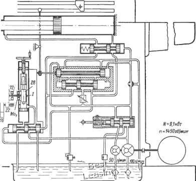
Рис. 85. Кинематическая схема долбежного станка модели 743 (а) и сетка для построения графика числа двойных ходов дол

бяка (б)



0 1 2 3 4 5 6 7 8 9 10 11 12 13 14 15 16 17 18 19 20 21 22 23 24 25 26 27 28 29 [ 30 ] 31 32 33 34 35 36 37 38 39 40 41 42 43 44 45