Промышленный лизинг Промышленный лизинг  Методички 

0 1 2 3 4 5 6 7 8 9 10 11 12 13 14 15 16 17 18 19 20 21 22 23 24 25 26 27 28 29 30 31 32 33 [ 34 ] 35 36 37 38 39 40 41 42 43 44 45


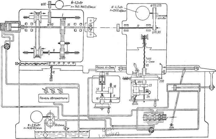
Рас. 95. Кинематическая схема внутришлифовадьиого станка модели ЗА252




Рнс. 96. ОСщий вид плоскошлифовадьного станка модели 3724



п r

1-$ах.пе8. LTf


Рис. 97. Кинематическая схема плоскошлнфовального станка модели 3724



0 1 2 3 4 5 6 7 8 9 10 11 12 13 14 15 16 17 18 19 20 21 22 23 24 25 26 27 28 29 30 31 32 33 [ 34 ] 35 36 37 38 39 40 41 42 43 44 45