Промышленный лизинг Промышленный лизинг  Методички 

0 1 2 3 4 5 6 7 8 9 10 11 12 13 14 15 16 17 18 19 20 21 22 23 24 25 26 27 28 29 30 31 32 33 34 35 36 37 38 39 40 41 42 43 [ 44 ] 45

к помпе

Абразивмая J суспензия





Рис. 125. Улыр13вукоьои станок модели АПу а - 11ри11<:,1имл1.!1ая схема обработки; б - гидравлическая схема сганка; в - общий вид панка; . - кинематическая схема станка; б - примеры обработки на CT.iiiKt







Список литературы

1. Аренков А. Б. Основы электрофизических методов обработки материалов. Л., «Машиностроение», 1967. 372 с.

2. Березин Б. П., Думченко Н. И., Мосолов К. В. Зубошлифовальные работы. М., «Высшая шкша», 1972, 232 с.

3. Камышный Н. И., Стародубов В. С Конструкция и наладка токарных автоматов и полуавтоматов. М., «Высшая школа», 1975. 392 с.

1964 у Переломов Н. Г. Фрезерные станки. Л., «Машиностроение»,

5. Кудряшов А, А. Металлорежущие станки для инструментального производства. М., Машгиз. 1961. 319 с

6. Кучер А. М., Киватицкий М. М., Покровский А. А. Металлорежущие станки. Л., «Машиностроение», 1972. 305 с.

7. Кучер А. М., Кучер И. М., Ансеров Ю. М. Токарные станки и приспособления. Л., «Машиностроение», 1969, 376 с

8. Металлорежущие станки. М. «Машиностроение», 1973. 471 с. Авт.: Н. С. Ковалев, Л. в. Красниченко, Н. С. Никулин и др.

9. Металлорежущие станки. Т. 1 и 2. М., «Машиностроение», 1965. Т. 1, 628 с, т. 2 , 764 с. Авт.: Н. С. Ачеркан, А. А. Гаврюшин, В. В. Ермаков и др.

10. Назариков С. В. Настройка делительных головок. Л., «Машиностроение», 1967. 72 с,

11. Наладка и эксплуатация агрегатных станков и автоматических линий. М., «Машиностроение», 1974. 464 с. Авт.: М, М. Гольдин, В. Д. Зуев, Л. А. Иванцов и др.

12. Станки с программным управлением. Справочник. М., «Машиностроение», 1975. 288 с. Авт.: Г. А. Монахов, А. А. Оганян, Ю. И. Кузнецов и др.

13. Токарные станки. М., «Машиностроение», 1973. 282 с. Авт.: А. А. Модзелен-ский, Л. Л. Мущинкин, С. С. Кедров и др.

14. Трондин к. Е. Металлорежущие станки, Минск, «Высшая школа», 1975. 431 с

ИБ № 759 Александр Михайлович КУЧЕР

Бумага офсетная.

Печ. л. 17.26 (1 вклейка). Уч.-изд. л. 17,13.

Тираж 70000 (III .чавод 40 001-60 000) экз Зак. 458. Пена 1 р. 60 к.

НЕМЫЕ КИНЕМАТИЧЕСКИЕ СХЕМЫ МЕТАЛЛОРЕЖУЩИХ СТАНКОВ

Редактор издательства Л. И. В о ж и к Переплет художника Г. Л. Попова Технический редактор Л. В. Щетинина Корректор 3. II. С м о л е н II е в а

Сдано о производство 31/111 1977 г. Подписано к печати 4,Л1И 1977 г. М-26437 Формат бумаги ЬОхбО»/,

Ленинградское отделение издательства «МАШИНОСТРОЕНИЕ»

I9IC65, Ленинград, Д-66, ул. Дзержинского, 10

Ленинградская типография № 6 Союзполнграфпрома при Государственном комитете Совета Министров СССР по делам издательств, полиграфии -и книжной торговли

193144. Ленинград, С-144. ул. Монсеенко, 10



п1Шо6/мим 1700 об/мим а


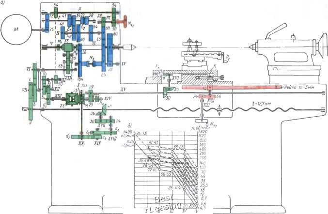
pik; 2. kmu-мягнчс. •,,1я i асмп тк.чрни-»атьпппоч1!.,rj cijiuk.i мч ic i. кн (л-) i- : [1:м(нк 4:i..-ii.i пр.! uiiiini пл.юн (б)



0 1 2 3 4 5 6 7 8 9 10 11 12 13 14 15 16 17 18 19 20 21 22 23 24 25 26 27 28 29 30 31 32 33 34 35 36 37 38 39 40 41 42 43 [ 44 ] 45