Промышленный лизинг Промышленный лизинг  Методички 

0 1 2 3 4 5 6 7 8 9 10 11 12 13 14 15 16 17 18 19 20 21 22 23 24 25 26 27 28 29 30 31 32 33 34 35 36 37 38 39 40 41 [ 42 ] 43 44 45 46 47 48 49 50 51 52 53 54 55 56 57 58 59 60 61 62 63 64 65 66 67 68 69 70 71 72

5.5. Крышки подшипников

5.5.1. Простановка размеров

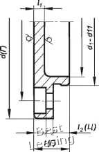
На чертежах крышек подшипников наносятся осевые размеры: габаритный Г; размер, входящий в размерную цепь, ц; размер, связывающий литье и обработанные поверхности. г, размеры элементов заготовки, полученные в отливке, 1 ; размеры, полученные при механической обработке, /г, i3

Наносятся диаметральные размеры: габаритный Г(рис. 5.11); сопряженный размер , выдерживаемый для глухих крышек с отклонениями по d11 (см. рис. 5.11, а), а для крышек с отверстием под манжету - по he (см рис 5.11, б); диаметр отверстия D под манжету, выдерживаемый с отклонениями по Н8

Остальные размеры проставляются исходя из конструктивных особенностей крышки и технологии ее изготовления.


о

.1(0

Рис. 5.11

5.5.2. Назначение допусков формы, расположения и шероховатости поверхности

Общие требования при назначении допусков формы и расположения изложены в разделе 5.1.3, а шероховатости поверхности в разделе 3.4.

При назначении допусков взаимного расположения различных элементов крышки, прежде всего, необходимо выбрать базы, относительно которых они будут задаваться. В качестве баз следует всегда стремиться выбирать конструкторские базы, то есть те элементы детали, которые определяют положение ее в механизме.



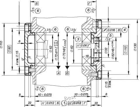
4 one. 09 (2) ф 00.4

4 one. 09 (2)ш0о.4@\В\


Рис. 5.12



Положение крышки в радиальном направлении определяет цилиндрическая поверхность диаметром = 72 мм (рис. 5.12), а в осевом - ее фланец, который является основной конструкторской базой, то есть базой, лишающей деталь наибольшего числа степеней свободы. Поэтому в качестве баз при назначении допусков расположения используются цилиндрическая поверхность и торец фланца.

Ниже в соответствии с позициями, указанными на рис 5 12, даны краткие рекомендации по выбору допусков формы, расположения и шероховатости поверхностей деталей типа крышек подшипников.

Позиция 1. Допуск параллельности торцов крышек

Назначение технического требования - обеспечение качественной работы подшипника.

Допуск задается на диаметре = 72 мм. Осевое крепление обоих подшипников соответствует схеме 3 (см. рис. 3.10, е).

На точность положения наружного кольца подшипника влияет в одном случае отклонение от параллельности торцов крышки л2 и прокладки Аз, а также отклонение от перпендикулярности платиков корпуса к оси отверстия 4 В другом случае - отклонение от параллельности торцов крышки а2 и фланца стакана л3 . а также отклонение от перпендикулярности платиков корпуса 4 В этом случае рассматриваемое отклонение рекомендуется определять:

л2 = Л] = Аз = Aj/3.

где Aj = 46 мкм (см. табл. 3.10) - допускаемое суммарное торцовое биение.

а2 =46/315.3 мкм.

Допуск параллельности торцов крышки выбирается в соответствии с ГОСТ 24643-81 (табл. П.2.4):

ТРА= 12 мкм.

Примечание. Если торец крышки не является базой для подшипника, то требование по параллельности к нему не предъявляют.

Позиция 2. Позиционный допуск на отверстие у крышек под крепежные детали.

0.2Smmv i 1 (12Smin


0.2Smmv Y.q/2Smm

V7ZZZ7ZZZ2Z7.


Рис. 5.13

Назначение технического требования - обеспечение собираемости деталей.

Позиционный допуск для рассматриваемого типа соединения (зазоры для прохода крепежных деталей предусмотрены лишь в одной из соединяемых деталей - крышке) устанавливается по ГОСТ 14140-81 по наименьшему допускаемому зазору между сквозным отверстием и крепежной деталью:

где Dm/n - наименьший предельный диаметр сквозного отверстия;

тах - наибольший предельный диаметр стержня крепежной детали.

При этом рекомендуется [10] отводить 60% S„,n на допуск для резьбовых отверстий и 40%) S„,n -для сквозных отверстий. Из упрощенной схемы соединения (рис. 5.13) видно, что значение позиционного допуска в радиальном выражении на сквозные отверстия в крышке подшипника принимается:



0 1 2 3 4 5 6 7 8 9 10 11 12 13 14 15 16 17 18 19 20 21 22 23 24 25 26 27 28 29 30 31 32 33 34 35 36 37 38 39 40 41 [ 42 ] 43 44 45 46 47 48 49 50 51 52 53 54 55 56 57 58 59 60 61 62 63 64 65 66 67 68 69 70 71 72