Промышленный лизинг Промышленный лизинг  Методички 

0 1 2 3 4 5 6 7 8 9 10 11 12 13 14 15 16 17 18 19 20 21 22 23 24 25 26 27 28 29 30 31 32 33 34 35 36 37 38 39 40 41 42 43 44 45 [ 46 ] 47 48 49 50 51 52 53 54 55 56 57 58 59 60 61 62 63 64 65 66 67 68 69 70 71 72

5.8. Червяки

5.8.1. Простановка размеров

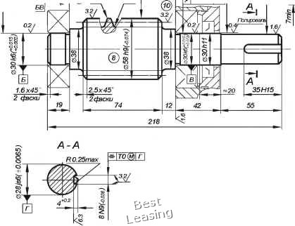
На изображении цилиндрических червяков должны быть указаны: габаритные размеры; размеры, входящие в размерные цепи; диаметр вершин витка dg,, длина нарезанной части червяка bi; данные, определяющие контур нарезанной части червяка, например, фаски f; радиус кривизны переходной кривой витка pfi; радиус кривизны линии притупления витка или размеры фаски. Остальные размеры проставляются исходя из технологии изготовления червяка (рис. 5.17).

На чертеже червяка должна быть помещена таблица параметров зубчатого венца (рис. 5.18), состоящая из трех частей.

первая часть - основные данные;

вторая часть - данные для контроля;

третья часть - справочные данные.

Части отделяются друг от друга сплошными основными линиями.

Концевые участки витков имеют заостренную форму. Их необходимо притупить фрезерованием или запиливанием. На рабочем чертеже червяка об этом приводят соответствующее указание.

Рис 517


5.8.2. Выбор параметров червяка, допусков размеров, формы, взаимного расположения и шероховатости поверхности

На рис 5.18 приведена схема расположения условных обозначений технических требований, которые предъявляются к червякам.

Далее в порядке номеров позиций (см. рис. 5.18) даны краткие рекомендации по выбору параметров и технических требований цилиндрических червяков.

Позиция 1. Модуль назначается в соответствии с ГОСТ 19672-74* и определяется в осевом сечении червяка.

Для уменьшения номенклатуры червячных фрез, используемых для нарезания червячных колес, вводится коэффициент диаметра червяка - g = d, /т.

Модули и соответствующее им значение q при числе витков = 1; 2; 4 регламентируются ГОСТ 2144-76 и приведены в табл. 5.17.

Позиция 2. Число витков червяка

Рекомендуется стандартом принимать число витков червяка из ряда.

Z = 1: 2 4.

Позиция 3. Угол подъема линий витка: основной Для червяка вида Z1; делительный у -для червяков остальных видов.

Значения делительного угла подъема витка у в зависимости от g и z приведены в табл. 5.18. Основной угол подъема рассчитывается по формуле-

=cosa„cosy,

где а„ - угол профиля.



\/\0.02 \БВ\

0.0025

0.0025

0.01

\7V0.04 \БВ (Р)Н0.4 R1.2


\/\ 0.02 \БВ\

fy 0.0025

0.01

/\0.О25\БВ\

/\0.02 \БВ\

Рис. 5.18

®

® ®

®

Мэд ъ

Чист еитов

Вид червяка

/лигвгъный угол подъема

Направгвние линии вита

Исходный npoLBeodRUJju червяк

(Увпень roNHOcna по ГОСТ 3675-81

Ллитгьная тпшиа по хорде вита

Вьсога по хорёв

/лигвльньЮ диамепр

Хэд вита

Правое

гост 19036-81

10 35



Допуски и посадки. В.И. Анухин Таблица 5.17

т, мм

<?

1.00

16*; 20

1.25

12.5; 16.0; 20.0

(1.50)

14.0; 16.0*

1.60

10.0; 12.5; 16.0; 20.0

2.00

8.0; 12.0; 15.5; 16.0; 20.0

2.50

8.0; 10.0; 12.0; 15.5; 16.0; 20.0

(3.00)

10.0; 12.0

3.15

8.0; 10.0; 12.5; 16.0; 20.0

(3.50)

10.0; 12.0*; 14.0*

4.00

8.0; 9.0; 10.0; 12.0*; 12.5; 16.0; 20.0

5.00

8.0; 10.0; 12.5,16.0; 20.0

(6.00)

9.0; 10.0

6.30

8.0; 10.0; 12.5; 140; 16.0; 20.0

Примечания.

1. Модули в скобках являются менее предпочтительными

2. * Только при Z = 1

Таблица 5.18

<?

8.0*

7°0730"

14°0210"

26°3354"

6°2025"

12°3144"

23°5745"

10.0*

5°4238"

1Г1836"

21°4805"

12.0

4°4549"

9°2744"

18°2606"

12.5*

4°3426"

9°0525"

17°4441"

4°0508"

8°0748"

15°5643"

16.0*

3°3435"

7°0730"

14°0210"

18.0

3°1047"

6°2025"

12°3144"

20.0*

2°5145"

5°4238"

11°1836"

* Предпочтительные значения

Позиция 4. Направление линии витка.

Червяки, за исключением случаев, обусловленных кинематикой привода, должны иметь линию витка правого направления.

Позиция 5. Степень точности.

Выбор степени точности червяка производится на основе конкретных условий работы передачи, в соответствии с рекомендациями, приведенными в табл. 5.6. Принимаем:

8-ВГОСГ 3675-81



0 1 2 3 4 5 6 7 8 9 10 11 12 13 14 15 16 17 18 19 20 21 22 23 24 25 26 27 28 29 30 31 32 33 34 35 36 37 38 39 40 41 42 43 44 45 [ 46 ] 47 48 49 50 51 52 53 54 55 56 57 58 59 60 61 62 63 64 65 66 67 68 69 70 71 72