Промышленный лизинг Промышленный лизинг  Методички 

0 1 2 3 4 5 6 7 8 9 10 11 12 13 14 15 16 17 18 19 20 21 22 23 24 25 26 27 28 29 30 31 32 33 34 35 36 37 38 39 40 41 42 43 44 45 46 47 48 49 50 51 [ 52 ] 53 54 55 56 57 58 59 60 61 62 63 64 65 66 67 68 69 70 71 72

(g) \/\ 0,04 \A o<0


Внеаний окружной мо<ль

Число зубьев

Тип зуба

Грямой

Нормальньй исходньй конгр

гост 13754-81

Коэффициентсмеиия

-0,4

Коэффициентизменения тлаины зуба

Узол гиттгьнозо конуса

6326

Стлень тчноспа по

Поспзянная хорва зуба в измерипвпьном сечении

5.650 03„,

Вьсопа аэ поспзянной хорЭы

1,972

Межюееэй узол передачи

Средний окружной модутъ

4,255

Внеииее конусное рассгояние

83,852

Среднее конусное рассгояние

71,352

Средний литльньй диаметр

127,638

Узол конуса впадин

5759

Внеиняя вьсога зуба

Обозначение чертжа со-пря}тнною зубчапэю когвса

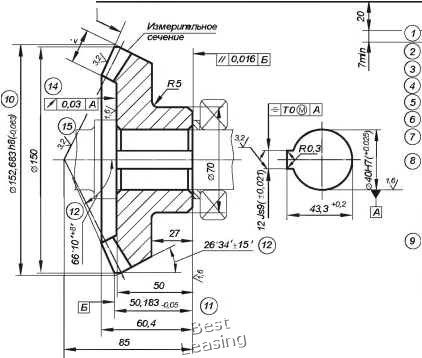
Рис. 5.23



Число зубьев шестерни

Наименьшее число зубьев сопряженного колеса Zj

Позиция 3. Нормальный исходный контур.

Конические передачи с прямыми зубьями при > 1 мм должны выполняться в соответствии с исходным контуром по ГОСТ 13754-81 со следующими параметрами: а = 20°, Ла* = ?, с* = 0.2.

Позиция 4. Коэффициент смещения хг.

В передачах с передаточным числом и> 1 шестерню рекомендуется выполнять с положительным смещением по табл. 5.25, а колесо с равным ему по величине отрицательным смещением. Принимается Хе2 = - 0,4.

Позиция 5. Коэффициент изменения толщины зуба х.

При и > 2,5 зубчатые колеса рекомендуется выполнять с различной толщиной зуба, увеличенной у исходного контура шестерни и соответственно уменьшенной у исходного контура колеса. Коэффициент изменения толщины зуба принимается х = О, так как и = 2.

Таблица 5.25

Число зубьев шестерни

Значение коэффициента смещения шестерни при передаточном числе и

1.12

1.25

3.15

0.27

0.34

0.38

0 42

0.47

0.50

0.52

0.53

0.18

0.25

0.31

0.36

0.40

0.45

0.48

0.50

0.51

0.10

0.17

0.24

0.30

0.35

0.38

0.43

0.46

0.48

0.49

0.09

0.15

0.22

0.28

0.33

0.36

0.40

0.43

0.45

0.46

0.08

0.14

0.20

0.26

0.30

0.34

0.37

0.40

0.42

0.43

0.07

0.13

0.18

0.23

0.26

0.29

0.33

0.36

0.38

0.39

0.06

0.11

0.15

0.19

0.22

0.25

0.28

0.31

0.33

0.34

0.05

0.09

0.12

0.15

0.18

0.20

0.22

0.24

0.26

0.27

Примечание Таблица приводится в сокращении.

Позиция 6. Угол делительного конуса s2

s2 = 63°26. Вычисление угла приведено в табл. 5.21.

Позиция 7. Степень точности.

Выбор степени точности конического зубчатого колеса производится на основе конкретных условий работы передачи, в соответствии с рекомендациями, приведенными в табл. 5.6.

Повышающие передачи не рекомендуется выполнять с передаточными числами, превышающими 3.15.

Числа зубьев шестерни и колеса рекомендуется выбирать с учетом минимально допустимых чисел зубьев шестерни и колеса, приведенных в табл. 5.24.

Таблица 5.24



8-В ГОСГ 7758-81 Позиция 8. Размеры зуба в измерительном сечении.

Во второй части таблицы - данные для контроля - выбраны следующие параметры:

• постоянная хорда зуба sg2 =5.6496 мм (см. табл. 5.21) и предельные отклонения на нее, которые определяют боковой зазор (расчет предельных отклонений см ниже);

• высота до постоянной хорды Лег = 1972 мм (см. табл. 5.21).

Выбор показателей точности конического зубчатого колеса

Показатели точности предлагается выбирать и указывать в учебных целях. Показатели или комплексы точности выбираются в зависимости от степеней точности (см. табл. 5.22). Каждый установленный комплекс показателей является равноправным с другими, хотя при сравнительных оценках влияния точности передач на их эксплуатационные качества основными и единственно пригодными во всех случаях являются функциональные показатели Ff, f,. fjj, и относительные размеры суммарного пятна контакта.

При выборе показателей или комплексов точности следует учитывать конкретные условия производства, в частности, наличие тех или иных измерительных средств.

Требования стандарта относятся к зубчатым колесам, установленным на их рабочих осях.

Нормы бокового зазора

Наименьшее отклонение средней постоянной хорды зуба и допуск на нее определяются по табл. П.6.7, П.6.8 и П.6.9. Приведенные значения относятся к сечению, проходящему по среднему конусному расстоянию R. Выбранное измерительное сечение (см. рис. 5.23) находится на торце зубчатого

колеса, поэтому выбранные значения наименьшего отклонения и допуска следует увеличить в -

раз, где Rg - внешнее конусное расстояние.

Наименьшее отклонение постоянной хорды зуба в измерительном сечении:

scs 1 scs 71.352

где escs = 30 мкм - наименьшее отклонение средней постоянной хорды зуба (см. табл. П.6.7);

Ki = 4.2 - коэффициент, определяемый по табл. П.6.8. Допуск на среднюю постоянную хорду:

где Г =130мкм (см. табл. П.6.9).

Нижнее отклонение средней постоянной хорды зуба:

%с/ = %cs-Tsc=~48-153 = -301 мкм.

Показатели кинематической точности конического зубчатого колеса

Принимаем комплекс (8-я степень точности):

• допуск на погрешность обката Г = 50 мкм (см. табл. П.6.1),

• допуск на радиальное биение зубчатого венца Г = 71 мкм (см. табл. П.6.1).



0 1 2 3 4 5 6 7 8 9 10 11 12 13 14 15 16 17 18 19 20 21 22 23 24 25 26 27 28 29 30 31 32 33 34 35 36 37 38 39 40 41 42 43 44 45 46 47 48 49 50 51 [ 52 ] 53 54 55 56 57 58 59 60 61 62 63 64 65 66 67 68 69 70 71 72